Windlast auf Querschnitt, Anzeigetafel, Schild, allseitig befestigte Flagge



Eingabewerte Wind

Windzone

Geländeprofil

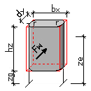
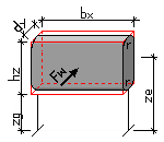
Eingabewerte Geometrie

Breite Bauteil bx m

Höhe Bauteil hz m

Dicke Bauteil in Windrichtung dy m

Radius abgerundete Kanten(schmale Seite) r m

Abstand vom Boden zg m

Höhe Boden ü. Gelände zr m

 



Erläuterung:
Dieses Programm ermittelt die Windlast eines umströmten Querschnitts nach DIN EN 1991-1-4:2010/NA:2010.
Mögliche Querschnitte:
Rechteck (dy/min(bx,hz)>0.1)
Rechteck mit abgerundeten Ecken an den längeren Kanten bis zum Kreisquerschnitt
Rechteckplatte (dy/min(bx,hz)<0.1 => cf0=2.5)
Anzeigetafel (dy/min(bx,hz)<0.1 und zg>hz/4 => cf0=2.5).
Allseitig gehaltene Flagge (dy<=0.001m => cf0=2.5).
Allseitig gehaltene Flagge/Rechteckplatte cf=1.8
Der Abstand vom Boden ist bei der Schlankheit λ und der Bezugshöhe ze berücksichtigt.
Die Höhe Boden ü. Gelände ist beim Böengeschwindigkeitsdruck berücksichtigt.
Dieses Programm ist eine Bemessungshilfe und ersetzt nicht das Studium der Norm. Sie verwenden dieses Programm auf eigene Verantwortung. Ich übernehme keinerlei Haftung!

Programm: MZ-Windlast-Querschnitt Vers.3.00
Autor: Dipl.-Ing.(FH) Michael Zimnik
Homepage: www.michael-zimnik.de